AOT-3586-UB

AOT-3586-UB Pneumatic Clamps, Hold Down Action

AOT-3586-UB
AOT-3586-UB

Product Overview

Pneumatic Clamps, Hold Down Action

Technical Specifications

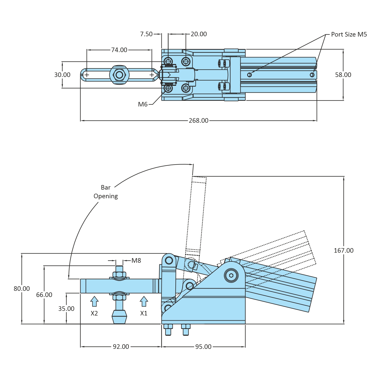
Arm Type: Adjustable Arm
Cylinder Type: ISO Series Double Acting Magnetic Cylinder
Cylinder Bore: 25 mm
Cylinder Stroke: 50 mm
Material: Steel
Holding Capacity X2: 1.00 kN
Holding Capacity X1: 2.00 kN
Length: 268.00 mm
Width: 58.00 mm
Height: 80.00 mm
Clamp Bar Opening (±3°): 95°
Supplied with Spindle: RT-865-2N2W
Weight: 1.200 Kgs

Need a Quote?

Contact us for pricing and availability information.

Request Quote

About Steel-Smith

Steel-Smith is a leading manufacturer of high-quality industrial hardware and clamping solutions. Our products are designed for durability, precision, and reliability in demanding industrial applications.