H-309-U

H-309-U Horizontal Hold Down Action Flanged Base Front Handle U Bar

H-309-U
H-309-U

Product Overview

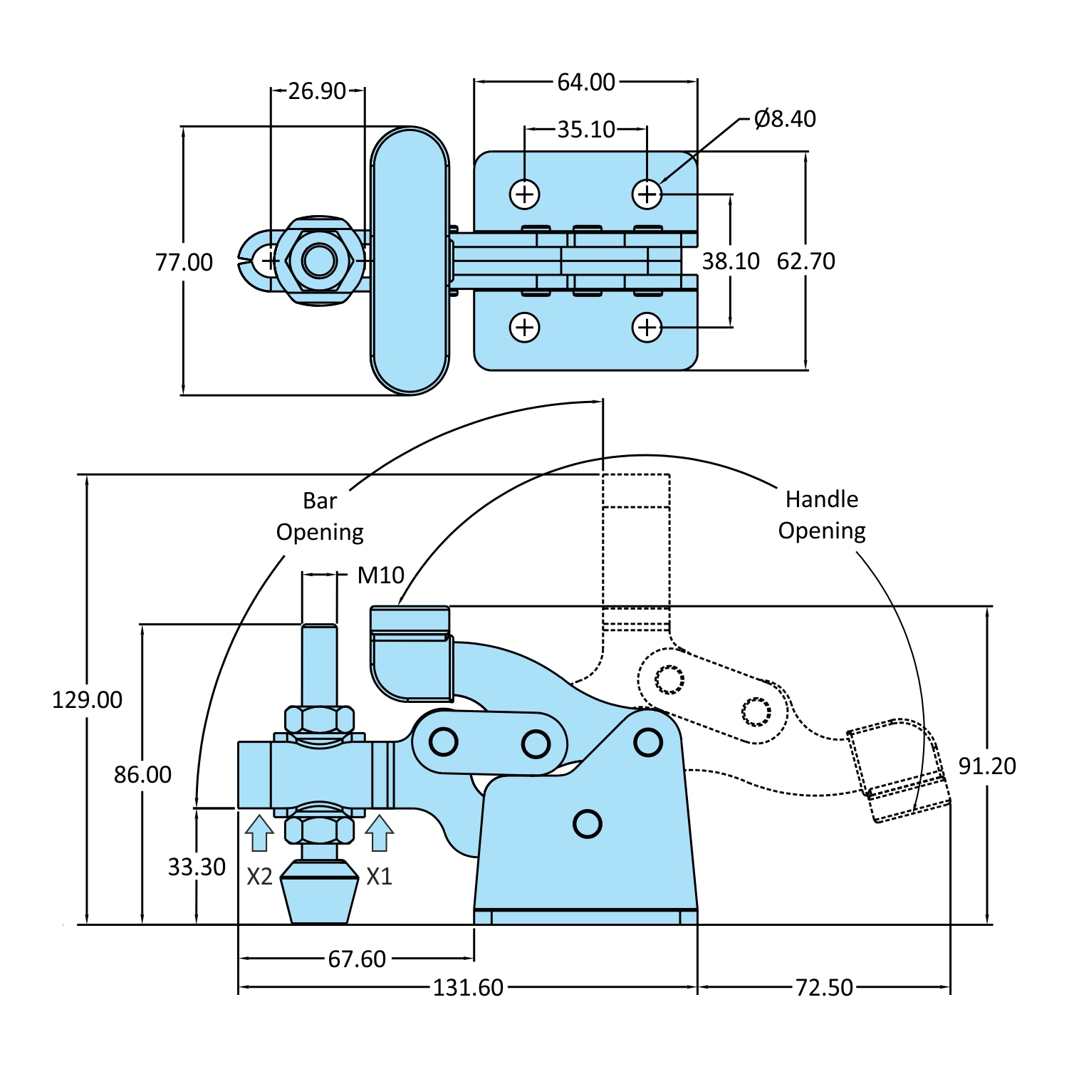
H-309-U is medium t handle duty horizontal hold down action toggle clamp with 3.40 kN holding capacity, featuring a flanged base, adjustable u-bar arm and 90 degree opening angle giving full clearance for loading & unloading of work piece.

Technical Specifications

Handle Type: Horizontal
Clamping Bar Style: Adjustable Arm
Base Type: Flanged Base
Material: Steel
Finish: Zinc Plated
Holding Capacity X1: 2.30 kN
Holding Capacity X2: 3.40 kN
Length: 131.60 mm
Width: 62.70 mm
Height: 91.20 mm
Handle Opening: 160°
Clamping Bar Opening: 90°
Supplied With: RT-1085-2N2W & M10-WSHR
Weight: 0.670 Kgs

Need a Quote?

Contact us for pricing and availability information.

Request Quote

Detailed Description

Welding Fixtures, Assembly Fixtures, Checking Fixtures, Wood-Working, Closures, Food Processing, Pharmaceutical Machines, PCB Testing and Assembly, Special Purpose Machine.

Industry Verticals

Automotive, Aerospace and Defense, Construction and Agriculture Equipment, Wind Energy, Food and Packaging, Pharma Machine Manufacturer, Automation and Robotics.

About Steel-Smith

Steel-Smith is a leading manufacturer of high-quality industrial hardware and clamping solutions. Our products are designed for durability, precision, and reliability in demanding industrial applications.