SC-32-PLF-L

SC-32-PLF-L
SC-32-PLF-L

Product Overview

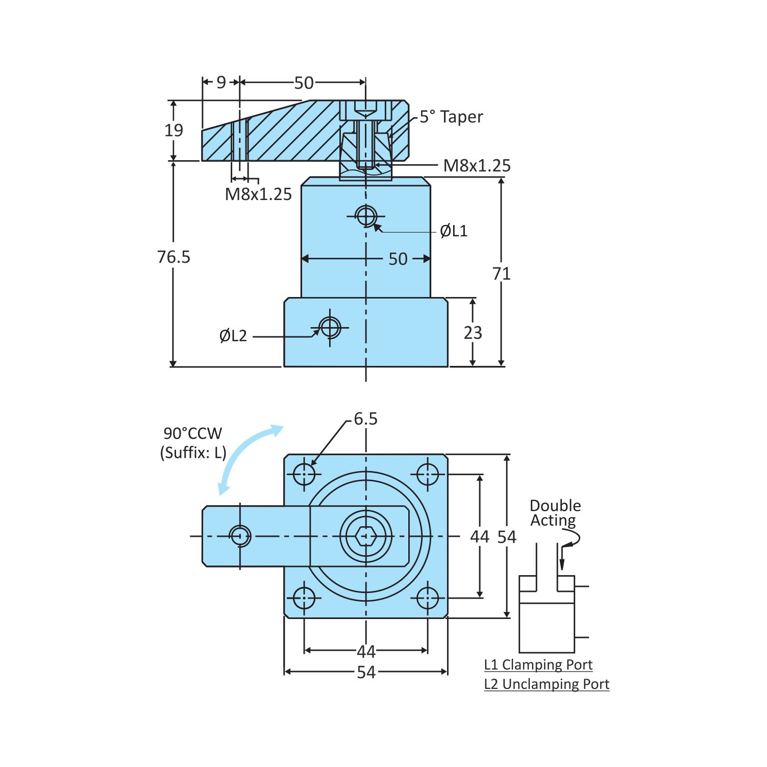
SC-32-PLF-L is a pneumatic swing clamp that delivers a clamping force of 30 kg at 5 kg/cm� air pressure. The clamping arm rotates through 90�, available in clockwise or anticlockwise swing direction, ensuring easy loading and unloading of workpieces. The clamp features a 14 mm clamping stroke and a 12 mm swing stroke, providing maximum flexibility for securely holding variable workpiece geometries. It operates within an allowable working pressure range of 4 to 7 bar, ensuring reliable and consistent performance.

Technical Specifications

Material: Aluminium Alloy Body
Finish: Black Anodizing
Acting Type : Double Acting
Force : 16-140 Kgs
Total Stroke : 26-29 mm
Working Pressure : 4-7 Bar
Swivel Angle : 90° ±2°
Piston Dia : 16
Bore Dia : 32
Swing Storke : 12
Clamping Stroke : 14
Weight Kgs : 0.7

Need a Quote?

Contact us for pricing and availability information.

Request Quote

Detailed Description

Swing clamps are used in CNC machining, welding fixtures, assembly lines, and automated tooling systems where quick, unobstructed loading is required. They provide secure and repeatable clamping for automotive, aerospace, metal fabrication, and industrial automation applications.

Industry verticals

Automotive Manufacturing, Aerospace & Defense, Industrial Machinery, Metal Fabrication, CNC Machining & Tooling, Heavy Engineering, Electronics Manufacturing, Robotics & Automation, and General Manufacturing Industries

About Steel-Smith

Steel-Smith is a leading manufacturer of high-quality industrial hardware and clamping solutions. Our products are designed for durability, precision, and reliability in demanding industrial applications.